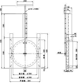
ステンレス製・水田用簡易水門
| 仕様 | |
|---|---|
| 材質 | : SUS304(SCS13) |
| 規格 | : φ150、φ200、φ300 |
| : 埋め込みタイプ・貼り付けタイプ | |
弊社製品の図面一覧はクリックして拡大図(PDFdata)をご確認いただけます。
PDFに表示にはPDFビュワーが必要です。


| 仕様 | |
|---|---|
| 材質 | : SUS304(SCS13) |
| 規格 | : φ150、φ200、φ300 |
| : 埋め込みタイプ・貼り付けタイプ | |
弊社製品の図面一覧はクリックして拡大図(PDFdata)をご確認いただけます。
PDFに表示にはPDFビュワーが必要です。