株式会社道峰 ステンレス製・ベベル式巻上機
ホーム
製品のご案内
よくあるご質問
会社概要
お問い合わせ
ホーム
製品のご案内
ステンレス製・ベベル式巻上機
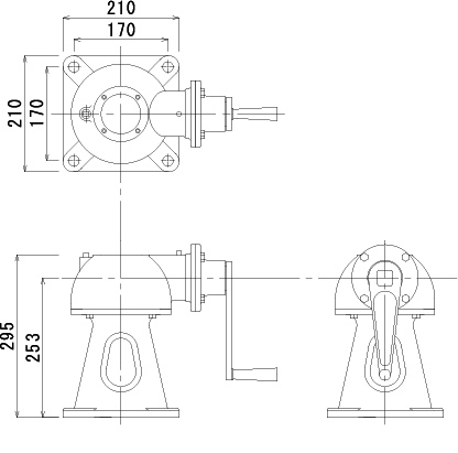
ステンレス製・ベベル式巻上機
仕様
材質
: SUS304(SCS13)
規格
: スピンドル径 φ38 φ45
ネジ規格
: 2山/インチ
減速比
: 1/2 1/3
弊社製品の図面一覧はクリックして拡大図(PDFdata)をご確認いただけます。
PDFに表示には
PDFビュワー
が必要です。
ベベル式巻上機 スピンドルφ38・φ45
製品のご案内
食品機械部品
ステンレス製・水田用簡易水門
ステンレス製・平巻式巻上機
ステンレス製・べベル式巻上機